حبيبات شمسية
حبيبات شمسية (بالإنجليزية: Granule ) يتخذ الغلاف الضوئي للشمس تقسيمات حبيبة الشكل بسبب ظاهرة الحمل الحراري حيث ترتفع طبقات من البلازما الساخنة قليلة الكثافة نسبيا من باطن الشمس إلى أعلى ، وبعدما تبرد نوعا ما على السطح تزيد كثافتها و تهبط إلى باطن الشمس . فالحبيبات هي مناطق سطح الشمس الساخنة و الحدود بين الحبيبات هي المناطق الباردة من السطح التي تهبط إلى باطن الشمس. تسمى كل منها حبيبة أو خلية وتظهر على السطح على هيئة حبيبات .
تلك هي خاصية طبيعية لظاهرة الحمل الحراري و يمكن أيضا مشاهدتها عنما نغلى لبنا أو ماءا في وعاء واسع على النار.
وقد استطاع العلماء قياس انزياح دوبلر لبعض الحبيبات المنفردة في الغلاف الضوئي للشمس وهي تؤكد ظاهرة الحمل الحراري لتلك الحبيبات وما أسفلها من طبقات .
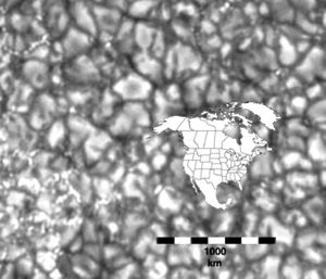
يبلغ قطر الحبيبة على الشمس نحو 1000 كيلومتر وتستمر إلى أن تختفي بعد 8 دقائق إلى 20 دقيقة. وتوجد أسفل طبقة الغلاف الضوئي طبقات للحمل الحراري عظيمة الحبيبات supergranules قد يصل قطرها نحو 30.000 كيلومتر وقد تستمر لفترة 24 ساعة.
طبقات الشمس
توضح الصورتان طبقات الشمس التي تبلغ عند القلب نحو 12 مليون كلفن تنتقل أولا في منطقة بالإشعاع تصل درجة حرارتها 2.100.000 درجة وتعلوها منطقة تنتقل فيها الحرارة بالحمل الحراري وهي تتسبب في تكوين الحبيبات الشمسية في الغلاف الضوئي للشمس ، وتبلغ درجة حرارة سطح الشمس نحو 5.700 كلفن.
1 . قلب الشمس (14 مليون كلفن)
2. منطقة إشعاعية (2 مليون كلفن)
3. منطقة حمل حراري
4. غلاف ضوئي (5800 كلفن)
5. غلاف لوني (ضوء و أشعة سينية وأطياف أخرى)
6. الهالة
7. بقع شمسية
8. سطح حبيبي هائج
9. انفجار شمسي
اقرأ أيضا
وصلات خارجية
- a SOHO/MDI Dopplergram showing supergranular speed pattern
- NASA: The Sun Does The Wave
- Information at Nature.com
- Michel Rieutord and François Rincon, "The Sun’s Supergranulation", Living Rev. Solar Phys. 7, (2010), 2. online article (cited on June 15, 2010).
- (فيديو) : وثائقي الشمس من قناة (الجزيرة الوثائقية).
- الشمس
- موقع الكون في الإنترنت
- سوهو تكشف أسرار الشمس من مجلة العلوم الأمريكية -النسخة العربية