مارتنزيت

الأصلاب
FagerstaRAÄ2.jpg
أطوار سبائك الحديد

أوستنيت Austenite (حديد-γ؛ صلد)
بينيت Bainite
مارتنزيت Martensite
سمنتيت Cementite (كربيد الحديد؛ Fe3C)
ليدبوريت Ledeburite (فرّيت - سمنتيت حرج، 4.3% كربون)
فرّيت Ferrite (حديد-α؛ حديد-δ؛ ناعم الملمس)
پرليت Pearlite (بنية: 88% فرّيت و12% سمنتيت)
Spheroidite

أنواع الصلب

Crucible steel
صلب كربوني (حتى 2.1% كربون)
    Spring steel (منخفض أو عديم السبائك)
صلب سبيكي (يحتوي عناصر غير كربونية)
    Maraging steel (يحتوي نيكل)

صلب مقاوم للصدأ (سبيكة مع الكروم)
صلب منخفض السبائكية عالي المقاومة HSLA steel
صلب العدد (صلد جداً؛ معالَج حرارياً)

صلب منجنيز أوستنيتى (صلب هادفلد)
صلب يقسى بتعتيق المرتنزيت

مواد أخرى أساسها الحديد

حديد زهر (>2.1% كربون)
حديد مطاوع (يكاد لا يحتوي كربون)

حديد رمادي
حديد أبيض

حديد سحب

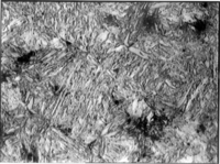
مارتنزيت Martensite مسمى على اسم المتالرجي الألماني أدولف مارتنز (1850–1914). المصطلح يشيع الاشارة به إلى شكل بالغ الصلابة من البنية البلورية للصلب، ولكن يمكن أيضاً أن يشير إلى أي بنية بلورية تتشكل من تحول عديم الانتشار.[1] ويضم المارتنزيت طائفة من المعادن الصلبة التي تتواجد كحبيبات بلورية على شكل صحن أو lath.

المارتنزيت في صلب AISI 4140
صلب 0.35% كربون، إرواء بالماء من 870 °س

انظر أيضاً

المراجع

  1. ^ خطأ استشهاد: وسم <ref> غير صحيح؛ لا نص تم توفيره للمراجع المسماة A.Q. Khan, University of Leuven, Belgium

وصلات خارجية

الكلمات الدالة: