درس:نظريتي نورتون وثيفنن
يمكن استخدام كل من قانوني كرشوف وقانون أوم في تحليل جميع الدارات الكهربائية. لكن ذلك قد يكون صعبا في كثير من الحالات، لذلك فإننا سنتناول بعض النظريات التي تستخدم في تسهيل تحليل الدارات الكهربائية.، وذلك في الحالات الخاصة بدارات التيار المستمر.
نظرية تيفنن Thevenin's Theorem
تتيح هذه النظرية استبدال أية مجموعة ثابتة من المولدات والمقاومات الموصولة بثنائي قطب (الحمل الموصول بين A وB) بمنبع فلطية، فتختزل الدارة الحالية إلى العنصر المراد دراسته بشكل منفصل، ومنبع فلطية يكافئ بقية الدارة: قوته المحركة الكهربائية وموصول مع مقاومة ، تربط معه على التسلسل، تفيد هذه النظرية في تبسيط دراسة الدارات المعقدة على نحو كبير.
لتطبيق هذه النظرية نتبع الخطوات التالية: 1.نحدد العنصر المراد دراسته. 2.نفصل العنصر المراد دراسته من الدارة، فيترك مكانه نقطتين A وB وتكون بينهما الدارة مفتوحة. 3.نقوم بحساب فرق الكمون بين النقطتين، والذي سيمثل ، وذلك باستخدام قوانين كرشوف أو إحدى النظريات. 4.نقوم بحساب المقاومة المكافئة بعد إلغاء جميع المنابع. 5.نقوم بتركيب دارة تيفنن المكافئة والمكوّنة من الحمل المطلوب دراسته موصولا على التسلسل مع المنبع والمقاومة .
نظرية نورتون
تشبه نظرية نورتون إلى حد بعيد نظرية تيفنن، إلا أنها بدلا من أن تستعيض عن بقية أجزاء الدارة بمولد ومقاومة، تستعيض عنها بمولد تيار توصل معه على التفرع ناقلية.
العلاقة بين دارتي نورتون وتيفنن
تمرين
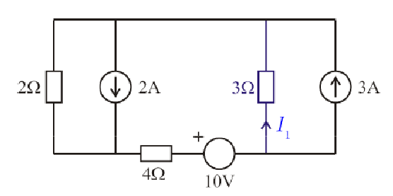
احسب التيار في الدارة المبينة في الشكل أدناه باستخدام نظرية نورتون.
فكرة الحل: لا بد أولاً من إيجاد منبع التيار المكافئ للحمل الموصول بين A وB، وبعد ذلك يتم وصل هذا المنبع إلى الحمل، وتتم معرفة التيار .
من أجل إيجاد منبع التيار المكافئ، علينا أن نقوم بإيجاد المقاومة المكافئة، وذلك بفصل جميع منابع الدارة (حيث نقوم بفتح الدارة عند كل منبع تيار وقصرها عند كل منبع فلطية):
وبالتالي المقاومة المكافئة هي: .
الخطوة الثانية الآن هي إيجاد قيمة التيار المحرك الكهربائي للمنبع المكافئ للدارة والمار من A إلى B. من أجل ذلك، نقوم بوصل الدارة بين هاتين النقطتين. ونقوم بعدها بحساب التيار بإحدى الطرق الممكنة.
من أجل حساب سنقوم بتطبيق نظرية الانضمام، حيث سنقوم بالإبقاء على منبع واحد فقط، وحساب في هذه الحالة، ومن ثم يكون التيار المطلوب هو مجموع النتائج التي حصلنا عليها:
التيار الخارج من المنبع 3A يتفرع إلى فرعين: فرع يمر في المقاومات، وفرع آخر يمر في AB. وبما أن المقاومة فيالفرع الأخير معدومة، فإن التيار بأكمله يمر عبر المقاومة الصفرية أي:
يمكننا في هذه الحالة استخدام قانون مجزئ التيار، فالتيار الخارج من المنبع يتفرع إلى فرعين. نلاحظ أن القانون يعطينا قيمة التيار في الفرع AB والذي يعاكس جهة ، لذلك لا بد من وضع إشارة سالبة. أي
بتطبيق قانون أوم نجد بسهولة أن:
إذاً يمكننا أن نقول الآن وحسب نظرية الانضمام أن التيار هو:
هكذا نكون قد أوجدنا قيمة كل من المقاومة والتيار المحرك للمنبع، بقي فقط أن نقوم بوصل هذا المنبع مع الحمل AB ودراسة تأثيره.
الآن، ومن أجل حساب نقوم باستخدام قانون مجزئ التيار، فنجد:







